真空管アンプ製作回路(54) 25HX5×12 OTL mono
テクニクス20A型(T20A)
真空管25HX5は、良く知られている50HB26のヒータ電圧25V管、50HB26は高価だが、25HX5は安価で入手できた。
製作したOTLアンプは、テクニクス20A型の回路をそのまま真似た。
違いは、出力管が20Aは10本のところ12本にした点、これは、ヒーターをAC100Vから点火するには25HX5を4本直列にしなければならないから、4本か8、12本となる。20Aは50Vヒータなので、10本である。この選択が発振トラブルの元となった。
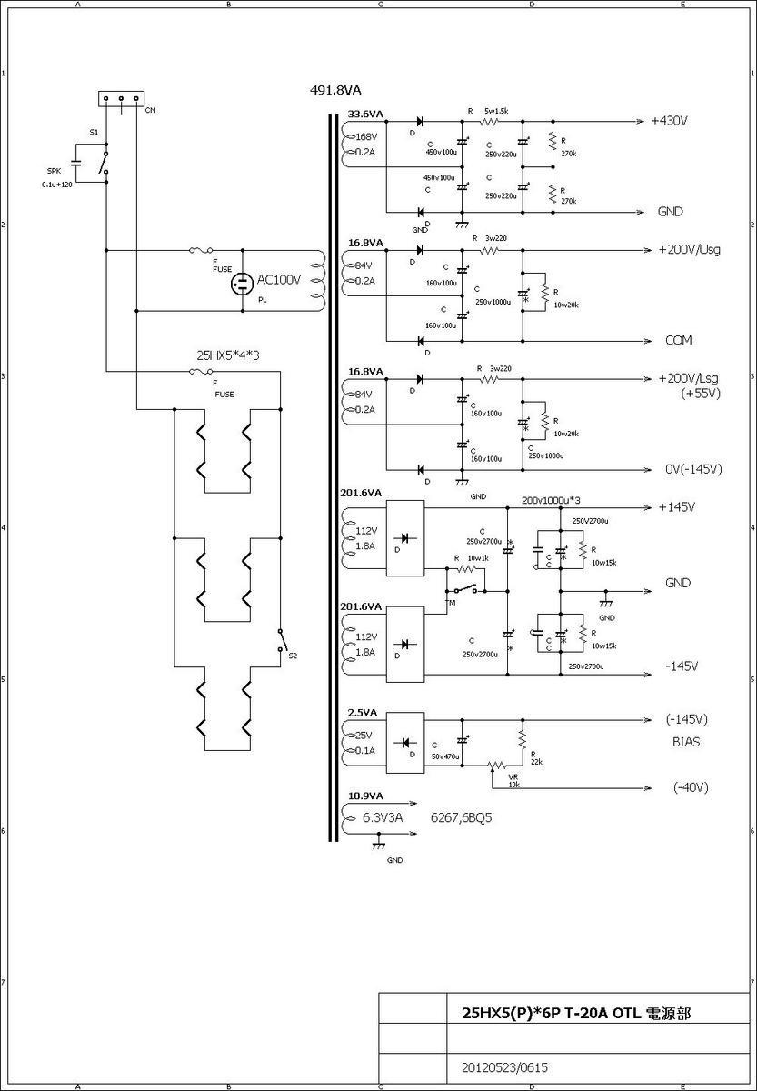
製作回路図は公表されている回路図をそのままコピーした。
今は倉庫で休眠中だか、通常4本か8本で使用している。12本のフル装備ではテスト時くらいである。
(スイッチで8本か12本を切り変えて使える)
製作回路図


写真
本家テクニクス20A:このアンプは私が修理したもので関西のオーデイオ友IK氏にお世話になっている


自作品25HX5×8 OTL
フル装備時代本機
左と右ではヒータの明るさが違うが、これは球のメーカー違いで
左手はシルバニア製25HX5
右手は松下製25HX5

左右対称に配置している。前面にメーターを付けた。




増幅段は6BQ5 pp並みの構成
